The working principle of the electric cylinder: it uses electricity as a direct power source, and uses various types of motors (such as AC servo motors, stepper servo motors, DC servo motors) to drive different forms of screws (or nuts) to rotate, and converts the spiral motion between the components into the linear motion of the nut (or screw), and then the nut (or screw) drives the cylinder or load to do reciprocating linear motion.
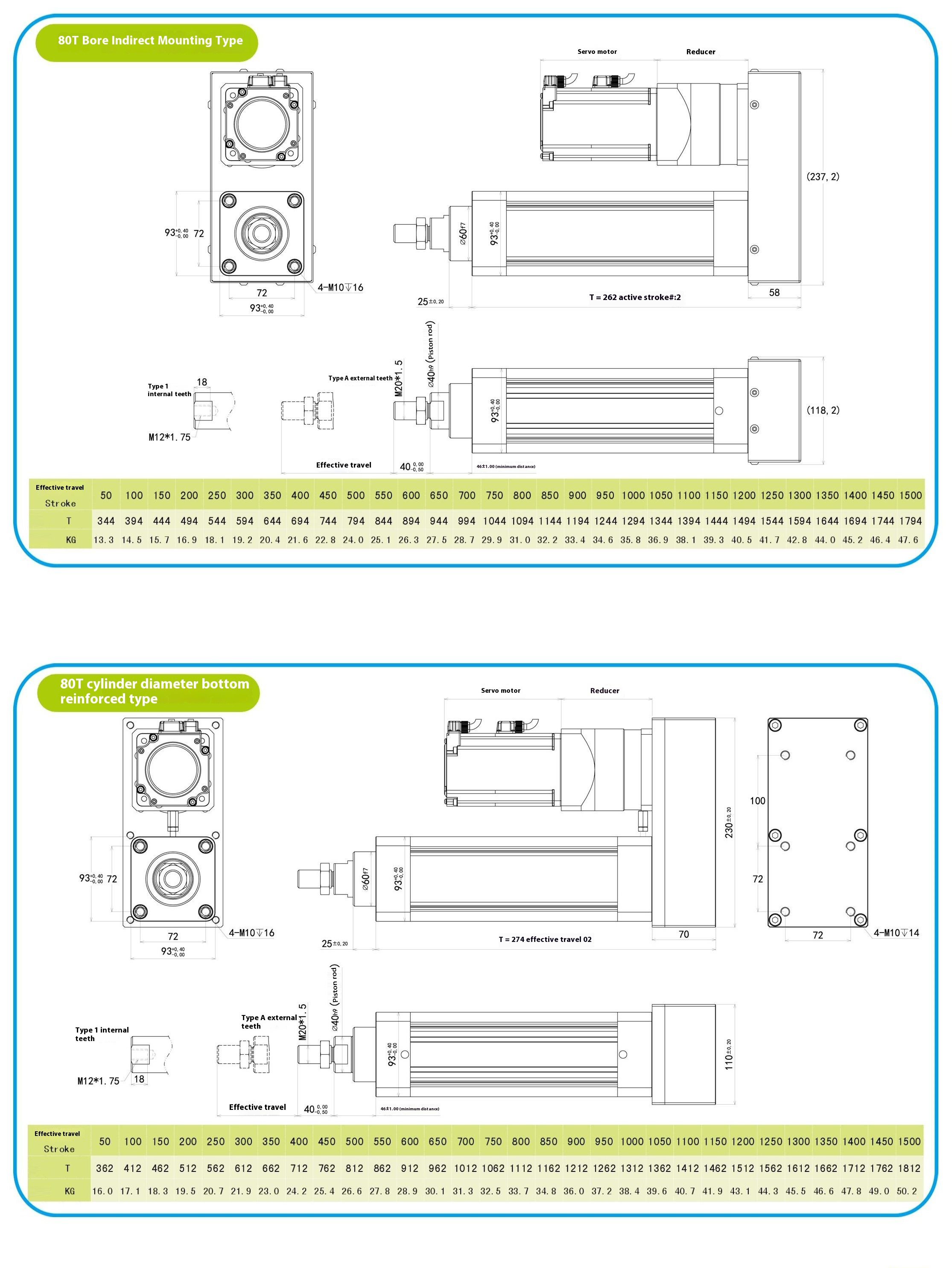
FSKSD-80T electric cylinder
Maximum thrust 1300KG
Repeat positioning accuracy: ±0.02mm
Customizable stroke: 50-1500MM
Screw outer diameter: 25MM diameter
Lead: 05/10 MM
Motor power: 1000W
Maximum speed: 200MM/S
Points to note when using the electric cylinder:
1. When using the electric cylinder, the piston rod can only be subjected to axial force, and radial force and rotational force should be avoided.
2. The piston rod has a certain rotatable angle and cannot be oriented. Other guiding machinery should be added when there is a directional requirement.
3. When selecting the effective stroke of the electric cylinder, a safe stroke should be reserved to avoid hitting the mechanical limit.
Modelre presentation



※ The above service life is a theoretical value. The actual service life needs to take into account the working coefficient B: L actual service life = L/(B~3)
Working coefficient B value: No load: 1.0~1.2 Light load: 1.2~1.4 Medium load: 1.4~1.6 Heavy load: 1.6~2.0
Basic technical parameters
Motor specification W | 750W | 1000W(3000rpm) | |||||
Screw specification | 2505 | 2510 | 2505 | 2510 | |||
Reduction ratio of reducer | 3:1 | 4:1 | 7:1 | 10:1 | 3:1 | 5:1 | 7:1 |
Rated thrust KN | 7.6 | 10 | 8.9 | 13 | 10 | 8.5 | 12 |
Maximum speed mm/s | 83.3 | 62.5 | 71.4 | 50 | 83.3 | 100 | 71.4 |
Maximum axial load Kg | 1300 | ||||||
Standard stroke mm | 50-1500mm / 50mm Interval | ||||||
Screw grade | C5 grinding / C7 rolling | ||||||
Repeat positioning accuracy mm | 士0.01/士0.02 | ||||||
Piston rod rotation angle | 士0.3° | ||||||
Maximum driving torque Nm | 25 | ||||||
Basic mass (0mm stroke) Kg | 7.2 | ||||||
Additional mass per 100mm stroke Kg | 1.6 | ||||||
Magnetic switch | 39DG | Two-wire reed switch normally open type — wire length 2M | |||||
39S | NPN\PNP Three-wire normally open type —Wire length 2M | ||||||
※ 1) The acceleration and deceleration time of the motor is set to >0.2S
※ 2) When the effective stroke exceeds 350mm, the screw will vibrate. For every 50mm increase in stroke, the maximum operating speed should be reduced by 10%
※ 3) The actual stroke only reserves 6~8mm of safety stroke. It is recommended to reserve more than 15mm of safety stroke when selecting.
Wiring mode of magnetic switch



Electric Linear Actuator Functions
Precision Telescopic Control: The servo electric cylinder supports millimeter-level positioning accuracy, with a stroke range from a few millimeters to several meters (e.g., 50mm-2000mm). Position memory and multi-stage stroke settings can be achieved via controller or programming.
Load Drive: The rated push/pull range of the electric linear actuator is 50N to 50000N (5kg-5 tons), meeting the load requirements of various scenarios.
Speed Adjustment: The telescopic speed of the electric linear actuator is adjustable (e.g., 1mm/s-500mm/s). The servo electric cylinder is suitable for slow precision operation or fast response scenarios.
Safety Protection: The servo electric cylinder has built-in overload protection, limit switches, and overheat protection to prevent equipment damage.
Electric cylinders are versatile linear actuators widely used in industrial automation. Key application areas include:
Electric actuators for factory automation – precise positioning in assembly lines, welding robots, and material handling systems
Electric actuators for packaging – conveyor belt height adjustment and product pressing mechanisms
Electric actuators for medical applications – bed adjustment and operating table positioning
Electric actuators for transportation – train door operation and aircraft cargo loading systems
Electric actuators for new energy applications – solar panel tracking and wind turbine blade adjustment
Electric actuators replace hydraulic/pneumatic systems with cleaner, programmable electric motion, providing millimeter-level precision and IoT connectivity, enabling smart manufacturing.
The FSKSD-80T servo electric cylinder has the following core advantages:
High-precision control of the electric linear actuator
The electric actuator uses a closed-loop servo system to achieve precise control of position, speed, and torque, effectively preventing stepper motor step loss. The electric actuator is suitable for industrial applications requiring micron-level precision.
Powerful Electric Linear Actuator
The electric linear actuator boasts a rated thrust of 80 tons (marked as "80T" in the model name) and supports short-term overload operation (up to three times the rated torque), making it suitable for high-load stamping or heavy machinery applications.
Modular Design
As a standardized product in the FSKSD series, the electric linear actuator supports rapid integration with components such as servo drives and limit switches, simplifying system configuration.
Production Reliability
The electric linear actuator's batch production management system ensures parameter consistency for each unit. FCC/CE/ISO certification ensures compliance with industrial-grade quality standards.
Environmental Adaptability
With an IP65 protection rating, the electric linear actuator is dustproof and waterproof, enabling stable operation in harsh environments. This model is widely used in high-end equipment such as six-degree-of-freedom motion platforms and CNC machining. Compared to similar products from manufacturers like Chitai Machinery, its technical parameters offer advantages in thrust specifications and system integration.
The FSKSD-80T is a heavy-duty servo electric cylinder widely utilized in industrial production, featuring a maximum thrust of up to 80 tons and a stroke range spanning 100 to 2500 mm. It supports precise speed control within the range of 0.1 to 1.5 m/s. Employing a closed-loop servo control system, it achieves a positioning accuracy of ±0.01 mm and a thrust control accuracy of 1%. When paired with a planetary roller screw mechanism, it boasts a transmission efficiency exceeding 90%. With an IP66 protection rating, it is adaptable to a wide variety of installation scenarios. The unit operates with noise levels below 50 dB, reduces overall energy consumption by 50% compared to traditional hydraulic cylinders, and offers a service life exceeding 10 million cycles under standard operating conditions; it serves as a core actuator component in heavy-duty automated production lines and pressure testing equipment.
The accuracy of the slide module directly affects the quality of the product.
Using multi-axis electric cylinders reduces labor costs
Widely used in laser welding, laser cutting, glue coating machines, spraying machines, punching machines, dispensing machines, small CNC machine tools, engraving and milling machines, plotters, cutting machines and other conveyors, sorting equipment, applicable testing equipment, educational equipment, etc.
Establish standardized network marketing services and mature technical service management systems around the world to provide dealers and users with high-quality pre-sales, in-sales and after-sales services. During the warranty period, provide users with fast, timely and efficient free maintenance services; outside the warranty period, users will still receive our enthusiastic and thoughtful paid technical services. We always pursue "zero defects in products and 100% customer service satisfaction".